离心喷雾干燥设备
来源:江苏太阳臣干燥科技有限公司 发布时间:2019-10-09 14:45:58
产品介绍
喷雾干燥是液体工艺成形和干燥工业中较广泛应用的工艺。特别适用于从溶液、悬浮液和糊状液体原料中生成粉状、颗粒状固体产品。因此,当成品的颗粒大小分布、残留水份含量、堆积密度和颗粒形状的标准时,喷雾干燥是一道较好的工艺。
工作原理
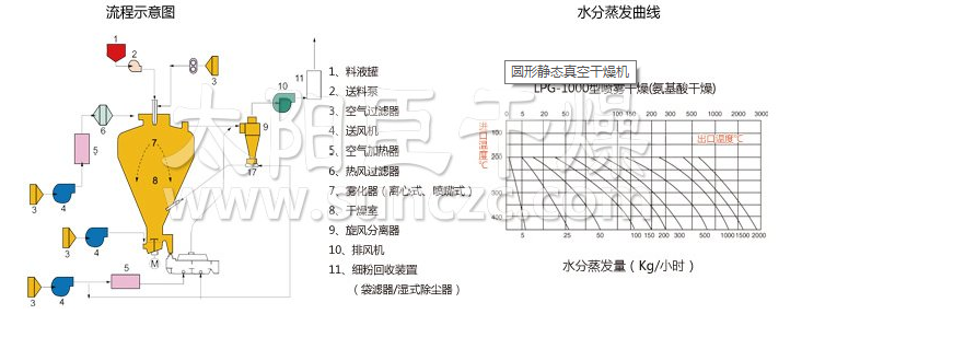
空气经过滤和加热,进入干燥器顶部空气分配器,热空气呈螺旋状均匀地进入干燥室。料液经塔体顶部的高速离心雾化器,(旋转)喷雾成极细微的雾状液珠,与热空气并流接触在极短的时间内可干燥为成品。成品连续地由干燥塔底部和旋风分离器中输出,废气由风机排空。
性能特点
◎干燥速度快,料液经雾化后表面积大大增加,在热风气流中,瞬间就可蒸发95%-98%的水份,完成干燥时间仅需数秒钟,特别适用于热敏性物料的干燥。
◎产品具有良好的均匀度、流动性和溶解性,产品纯度高,质量好。
◎生产过程简化,操作控制方便。对于含湿量40-60%(特殊物料可达90%)的液体能一次干燥成粉粒产品,干燥后不需粉碎和筛选,减少生产工序,提高产品纯度。对产品粒径,松密度,水份,在一定范围内可通过改变操作条件进行调整,控制和管理都很方便。
适应物料
化学工业: 氟化钠(钾)、碱性染料颜料、染料中间体、复合肥、甲醛硅酸、催化剂、硫酸剂、氨基酸、白炭黑等。
塑料树脂:AB,ABS乳液、尿醛树脂、酚醛树脂、密胶(脲)甲醛树脂、聚乙烯、聚氯乙烯等。
食品工业:富脂奶粉、胳朊、可可奶粉、代乳粉、猎血粉、蛋清(黄)等。
食物及植物:燕麦、鸡汁、咖啡、速溶茶、调味香料肉、蛋白质、大豆、花生蛋白质、水解物等。
糖类: 玉米浆、玉米淀粉、葡萄糖、果胶、麦芽糖、山梨酸钾等。
陶瓷:氧化铝、瓷砖材料、氧化镁、滑石粉等。

技术规格

上一篇:LPG系列高速离心喷雾干燥设备
下一篇:增白剂喷雾干燥塔
